浓厚兴趣是最合适的同学,HelloGitHub 让你对程式设计感浓厚兴趣!
概要
HelloGitHub 撷取 GitHub 上有意思、紧凑型的开放源码工程项目。
这儿有两栖作战工程项目、入门教程、黑信息控制技术、开放源码书刊、小厂开放源码工程项目等,囊括多种不同程式设计词汇 python、Java、Go、C/C++、Swift…阳光普照短时期内感受到开放源码的气质,对程式设计造成浓厚兴趣!
下列为下期文本|每一月 28 号预览C 工程项目1、ecapture:这款无须 CA 证书方可截取 HTTPS 成文的辅助工具。该工程项目如前所述 eBPF 控制技术同时实现了 TLS 身份验证的成文捕捉,可用作 MySQL 资料库的查阅审计工作、Bash 指示捕捉等情景,仅全力支持 linux 和 Android 系统。
门牌号:github.com/gojue/ecapture2、FSHistory:最先的谷歌演示滑翔格斗游戏。该工程项目提供更多了 1982 年发售的港式格斗游戏《谷歌演示滑翔》,全力支持新浪网预览、共计 4 个版可供选择。
门牌号:github.com/s-macke/FSHistory3、iodine:这款可加速建立 DNS 高架桥的辅助工具。该工程项目包涵 C 词汇写的 DNS 高架桥伺服器和应用程序,可加速构筑 DNS 高架桥传输 IPv4 数据,常见于绕开内网等情景。即使通常情况下内网的 DNS 路由器是关上的,因此将网络流量扮作 DNS 报文,就能冲破内网管制啦。
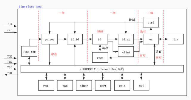
门牌号:github.com/yarrick/iodine4、tinyriscv:从零开始写 RISC-V 处理器。该工程项目是采用 Verilog 词汇同时实现一个单核 32 位的小型 RISC-V 处理器核,包涵全部代码和详细的教程。RISC-V 是一种开源指令集架构,它允许任何人设计、制造和销售 RISC-V 芯片和软件。
门牌号:github.com/liangkangnan/tinyriscvC# 工程项目5、DevToys:程序员的瑞士军刀。该工程项目打包了程序员日常开发会用到的小辅助工具,比如时间戳转化、各种解码、输出美化、颜色选择器等,使用方便颜值高。
门牌号:github.com/veler/DevToys6、Tai:Windows 上统计软件使用时长的辅助工具。该工程项目会根据软件获得焦点和失去焦点的时间差,来计算软件的真实使用时长,而不是简单地统计软件存活时间。
门牌号:github.com/Planshit/TaiC++ 工程项目7、GASDocumentation:虚幻引擎 5 之 GAS 插件上手教程。该工程项目是讲解如何使用虚幻引擎 5 的 GameplayAbilitySystem 插件,作者从什么是 GAS 开始,最后用 GAS 做出了一个简单的多人射击格斗游戏。如果你对虚幻引擎 5 感浓厚兴趣而且会 C++ 的话,那么看完这份教程一定会让你有所收获。
门牌号:github.com/tranek/GASDocumentation8、organicmaps:一款免费、没广告的离线地图应用。适用作旅行者、游客、徒步旅行者和骑行者的 Android 和 iOS 离线地图应用,它使用 OpenStreetMap 数据,全力支持详细的离线地图、骑行路线、语音导航、等高线、海拔剖面、山峰和坡度等功能。
门牌号:github.com/organicmaps/organicmaps9、tesseract:这款“老当益壮”的 OCR 引擎。这个工程项目最先诞生于 1985 年,几经易主在 2005 年的时候 HP 将其开放源码。目前,Tesseract 已经成为 OCR 领域 Star 数最多的开放源码工程项目,它全力支持包括中文在内的 100 多种不同词汇,具有精准度高、跨平台等特点。
门牌号:github.com/tesseract-ocr/tesseractCSS 工程项目10、china_school_badge:全国高校校徽字体图标库。该工程项目包涵国内 200 多所高校校徽制作的字体图标。
地址:github.com/lovefc/china_school_badge11、daisyui:这款极为流行的 Tailwind CSS 组件库。作为当下最流行的 Tailwind CSS 组件库,具有高颜值、更纯净的 HTML、深度自定义等特点。
Menu TitleFirst Menu ItemSecond Menu ItemThird Menu Item 门牌号:github.com/saadeghi/daisyuiGo 工程项目12、answer:这款开放源码的问答社区。采用 Go 词汇编写的问答社区,全力支持积分、提问、回答、标签等功能,部署简单。
门牌号:github.com/answerdev/answer13、btree:Go 词汇同时实现的 B-树 数据结构。由谷歌开放源码的 B-树 Go 词汇同时实现,代码整洁、注释丰富,推荐阅读源码。B-树 这种数据结构,能够让查找数据、顺序访问、插入及删除操作,都在对数时间内完成,多用作资料库和文件控制系统。
门牌号:github.com/google/btree14、nap:这款指示行的代码片段管理辅助工具。该工程项目能通过指示行界面,加速建立和管理代码片段。全力支持快捷键、搜索、代码高亮、自定义颜色等功能,操作简单方便。
门牌号:github.com/maaslalani/nap15、oh-my-posh:适用作多种不同 shell 的终端提示个性化辅助工具。该工程项目内置多款主题开箱即用,全力支持 Windows、Linux、macOS 三个控制系统上的 PowerShell、Bash、Zsh 等多种不同 shell,自动补全你输入的每一指示。
门牌号:github.com/JanDeDobbeleer/oh-my-posh16、raft:Raft 算法的 Go 词汇同时实现。Raft 是一种分布式一致性算法(共识算法),常见于分布式集群内的任意节点,在某种状态转换上保持一致。
门牌号:github.com/hashicorp/raftJava 工程项目17、JimuReport:这款新浪网制作报表的辅助工具。该工程项目可通过新浪网拖拽制作报表,全力支持报表设计、图形报表、大屏展示等功能。
门牌号:github.com/jeecgboot/JimuReport18、kafka-ui:这款开放源码的 Kafka 管理平台。由开放源码社区建立和维护的 Kafka Web UI 管理辅助工具,承诺永久免费。可方便地查看 Kafka Brokers、TopiCS、消息、Consumer 等情况,全力支持多集群管理、性能监控、访问控制等功能。
门牌号:github.com/provectus/kafka-ui19、leetcode-editor:刷 LeetCode 的 IDE 插件。让你能在 IDE 里刷 LeetCode 算法题的插件,全力支持 IntelliJ IDEA、PyCharm、GoLand 在内的 Jetbrains 全家桶。
门牌号:github.com/shuzijun/leetcode-editor20、LibreraReader:这款全力支持多种不同格式的 Android 电子书阅读器。适用作 Android 设备的阅读应用,全力支持最流行的文档格式,包括 PDF、EPUB、MOBI、DjVu、FB2、TXT、RTF、AZW、HTML、CBZ、DOC 等多种不同电子书格式。
门牌号:github.com/foobnix/LibreraReaderJavaScript 工程项目21、infisical:这款帮助团队同步环境变量的辅助工具。该工程项目可用作团队成员之前同步环境变量,拥有简单易懂的操作界面,全力支持端到端身份验证、自托管、权限控制、集成 CI/CD 等功能。
门牌号:github.com/Infisical/infisical22、outils:前端业务代码的辅助工具库。该工程项目包涵了前端开发中,经常会用到的日期格式化、浏览器类型判断、检测是否为手机号等函数。
n window && userAgent in navigator && navigator.userAgent.toLowerCase() || ; var vendor = navigator in window && vendor in navigator && navigator.vendor.toLowerCase() || ; var appVersion = navigator in window && appVersion in navigator && navigator.appVersion.toLowerCase() || ; if (/iphone/i.test(userAgent) || /ipad/i.test(userAgent) || /ipod/i.test(userAgent)) return ios if (/android/i.test(userAgent)) return android if (/win/i.test(appVersion) && /phone/i.test(userAgent)) return windowsPhone if (/mac/i.test(appVersion)) return MacOSX if (/win/i.test(appVersion)) return windows if (/linux/i.test(appVersion)) return linux }
门牌号:github.com/proYang/outils23、podcast-together:和你的好友一起新浪网听播客。该工程项目无须注册和登录,方可建立/进入房间和三五好友,一起收听同一个博客,全力支持收听小宇宙、Apple Podcast 中国区等音源。
门牌号:github.com/yenche123/podcast-together24、terminalizer:强大的终端录制辅助工具。该工程项目能轻松记录下你在指示行的操作,并将录制好的文本输出成 gif 图像或直接撷取到网上。
门牌号:github.com/faressoft/terminalizer25、watching-you:让 DOM 像眼睛一样注视的 JS 动画库。这是一个简易的动画库,主要用作计算一个 DOM 与观察目标,比如鼠标、DOM、输入框值之间的位置,从而做出一些有意思的动画,比方说让它变成跟眼睛一样。
门牌号:github.com/jj811208/watching-youPHP 工程项目26、snipe-it:这款 IT 资产管理控制系统。该工程项目是如前所述 Laravel 8
门牌号:github.com/snipe/snipe-itPython 工程项目27、Bottles:这款可轻松同时实现 Linux 上运行 Windows 软件的辅助工具。该工程项目提供更多了清爽易用的 GUI 界面,用户就算不懂任何程式设计技巧,也能轻而易举地在 Linux 控制系统上,运行 Windows 的格斗游戏和软件。
门牌号:github.com/bottlesdevs/Bottles28、django-cacheops:这款灵活的 Django ORM 缓存库。该工程项目使用 redis 作为缓存,可通过装饰器设置资料库查阅结果的过期时间。
from cacheops import cached_as @cached_as(Article, timeout=120) def article_stats(): return { tags: list(Article.objects.values(tag).annotate(Count(id))) categories: list(Article.objects.values(category).annotate(Count(id))) }
门牌号:github.com/Suor/django-cacheops29、doccano:这款开放源码的文本标记辅助工具。它能提供更多文本分类、序列标记、情感分析、文本摘等功能,帮助加速完成打标工作,全力支持中文和多人协作。
门牌号:github.com/doccano/doccano30、FileCodeBox:这款匿名口令撷取文本和文件的服务。该工程项目是如前所述 FastAPI+SQLite3 开发的文件撷取服务,全力支持撷取文件、口令提取文件等功能,无须注册方可完成文件提取。
门牌号:github.com/vastsa/FileCodeBox31、python-systemd-tutorial:用 Python 编写 systemd 服务的教程。许多 Linux 发售版都用 systemd 来管理控制系统的服务,比如开机启动、自动重启、守护进程等。该工程项目讲解了如何入门 systemd,并提供更多了一个 Python 脚本和 systemd unit 文件,能在此基础上加速开发出 systemd 服务。
if __name__ == __main__: import time import systemd.daemon print(Starting up …) time.sleep(10) print(Startup complete) systemd.daemon.notify(READY=1) while True: print(Hello from the Python Demo Service) time.sleep(5)
门牌号:github.com/torfsen/python-systemd-tutorialRust 工程项目32、rust-raspberrypi-OS-tutorials:学习如何用 Rust 编写嵌入式操作控制系统。该教程会从零开始,一步步地指导你如何用 Rust 开发出一个功能齐全的嵌入式操作控制系统的内核。它包涵了同时实现通常操作控制系统的任务,例如开发串口控制台、设置虚拟内存和处理硬件异常。教程中的所有代码,均可运行在树莓派 3 和 4 上。
门牌号:github.com/rust-embedded/rust-raspberrypi-OS-tutorials33、spacedrive:这款 Rust 写的跨平台文件管理辅助工具。它如前所述用 Rust 编写的虚拟分布式文件控制系统(VDFS),能将 macOS、Windows、Linux、iOS、Android 等不同操作控制系统的设备连接到一起,统一管理所有的文件。该工程项目还处于开发阶段,应用程序需要自行编译。
门牌号:github.com/spacedriveapp/spacedriveSwift 工程项目34、Plash:将网站变成 Mac 桌面壁纸。这是这款适用作 macOS 的桌面壁纸应用,全力支持将多种不同网站设置为壁纸,这些网站并不局限于图片网站,还能是新闻、气象等站点。
门牌号:github.com/sindresorhus/Plash其它35、chinese-independent-blogs:中文个人独立博客网站合集。如果说中文独立博客的时代已经过去,那么至少还有这么一块地方,属于热爱自由的博主们。
门牌号:github.com/timqian/chinese-independent-blogs36、CSrankings:非官方的顶级 CS 学校排名榜单。该工程项目以高校教师在计算机科学(CS)各领域顶级会议上发表的论文数量,作为重要的衡量标准。
门牌号:github.com/emeryberger/CSrankings37、FlutterDouBan:这款用 Flutter 写的豆瓣应用程序。该工程项目用 Flutter 还原了豆瓣应用程序的首页、书影音、小组、市集及个人中心等功能。
门牌号:github.com/kaina404/FlutterDouBan38、portal_calendar:自制电子墨水屏的日历。如前所述 ESP32 的电子墨水屏日历,使用 4 节 7 号电池可运行多年,全力支持通过 OpenWeatherMap 同时实现天气显示等功能。
门牌号:github.com/wuspy/portal_calendar39、relationship:中国亲戚关系计算器。该工程项目同时实现了中国亲戚关系及称呼之间的换算,能将中国复杂的亲戚关系及称呼通过计算器的方式简单的运算出来。
门牌号:github.com/mumuy/relationship开放源码书刊40、hello-algo:一本动画图解数据结构与算法的入门书。《Hello,算法》一书通过动画和代码诠释数据结构和经典算法,学习曲线平滑,全力支持电脑、手机等多种不同终端新浪网阅读。
门牌号:github.com/krahets/hello-algo机器学习41、DeOldify:这款能给老旧照片上色的工程项目。该工程项目如前所述深度学习同时实现了对黑白图像和视频进行着色的功能。
门牌号:github.com/jantic/DeOldify42、wandb:这款轻量级的机器学习可视化辅助工具。该工程项目是用作可视化和跟踪机器学习实验的辅助工具,通过几行代码就能同时实现跟踪、比较和可视化机器学习实验。
import wandb # 1. Start a W&B run wandb.init(project=”gpt3″) # 2. Save model inputs and hyperparameters config = wandb.config config.learning_rate = 0.01 # Model training code here … # 3. Log metrics over time to visualize performance for i in range(10): wandb.log({“loss”: loss})
门牌号:github.com/wandb/wandb最后感谢您的阅读,如果觉得下期文本还不错的话 求赞、求撷取 ❤️









