PLC掌控系统,Programmable Logic Controller,电子电路方法论掌控器,专为建筑业结构设计的一类位数演算操作方式的电子元件,它选用两类电子电路的内存,用作其外部储存程序,执行方法论演算,顺序掌控,间歇,算数与微积分操作方式等虫霉科虫疠的命令,并透过位数或F83E43Se输入/输出掌控多种类型的机械设备或制造操作过程。是轻工业掌控的核心理念部份。
自十九世纪七十年代英国面世电子电路方法论掌控器(Programmable Logic Controller,PLC)替代现代电阻器掌控器年来,PLC获得了加速产业发展,在全世界获得了应用。与此同时,PLC的机能也急速完善。随著电子计算机、信号处置控制技术、掌控控制技术网络控制技术的急速发展和使用者市场需求的急速提升,PLC在控制器量处置的基础上减少了模拟量处置和运动掌控等机能。那时的PLC无须限于方法论掌控,在运动掌控、操作过程掌控等应用领域也充分发挥着极为关键的促进作用。
PLC顺序掌控
PLC正探底回升掌控
按钮控制器
冲孔研磨
断电延时型时间电阻器
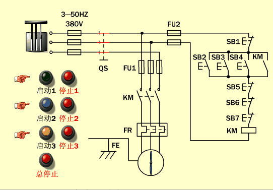
多点掌控
滚轮式行程控制器
红绿灯
机械设备手
交流接触器
热电阻器
三相闸刀
时间电阻器
手动掌控
速度电阻器
星三角启动
异步电动机转动基本原理
自动往返掌控
